Skip to content

Flat Cylinder HFC 10 S 1.5

Cylinders with a very low construction height and a lifting capacity of 5 up to 100 tons. Specially designed to address challenges posed by limited insertion space. These cylinders boast a remarkably low construction height while providing a robust lifting capacity ranging from 5 to 100 tons.
Standard supplied with:
  • Standard provided with fixing holes for easy assembly
  • Dirt scraper ring
  • Protects against pollution
  • Increases the life span
  • Superior seal for an excellent static and dynamic sealing
  • Splined plunger, no saddle needed
  • High flow female coupler A118
Cylinders with a very low construction height and a lifting capacity of 5 up to 100 tons. Specially designed to address challenges posed by limited insertion space. These cylinders boast a remarkably low construction height while providing a robust lifting capacity ranging from 5 to 100 tons.
Standard supplied with:
  • Standard provided with fixing holes for easy assembly
  • ...
Find a partner

Industrial configurator

Supports you in choosing the right tool & setup for your application.

About the Flat Cylinder HFC 10 S 1.5

Specifications

Choose unit system
Details
Article number
100.112.292
Basic specifications
model
HFC 10 S 1.5
max. working pressure
10443 psi
max. working pressure
720 / 72 (bar/Mpa)
Performance
tonnage
10 t
tonnage
22046 lb
stroke
15 mm
stroke
0.6 in
closed height
46 mm
closed height
1.8 in
capacity
99.8 kN / 10.2 t / 99.8 / 10.2 (kN/t)
capacity
22436 lbf
effective pressure area
13.9 cm2
effective pressure area
2.2 sq. in.
General specifications
required oil content (effective)
28.8 cc
required oil content (effective)
1 oz
acting type
single
return type
spring
material
steel
cylinder type
flat
connection
A 118
Dimensions, weight and temperature
weight, ready for use
1.6 kg
weight, ready for use
3.5 lb
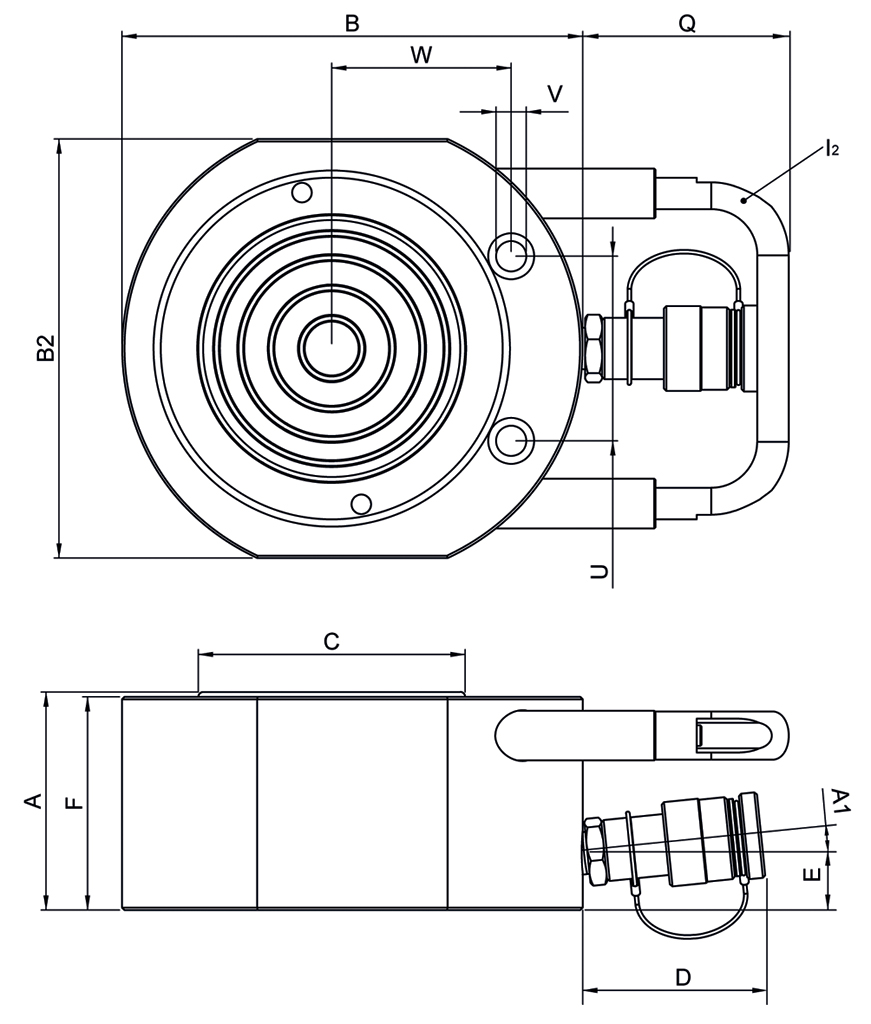
Technical drawing dimensions
dimension A
46 mm
dimension A
1.8 in
dimension B
85 mm
dimension B
3.3 in
dimension B2
55 mm
dimension B2
2.2 in
dimension C
36 mm
dimension C
1.4 in
dimension D
76 mm
dimension D
3 in
dimension E
19 mm
dimension E
0.7 in
dimension F
46 mm
dimension F
1.8 in
dimension U
37 mm
dimension U
1.5 in
dimension V
7 mm
dimension V
0.3 in
dimension W
34 mm
dimension W
1.3 in
Norms
ASME
B30.1

Technical Drawing

Flat Cylinder, Spring Return, HFC

Features

Compact, flat version, efficient in case of limited insertion space
Stroke of 15mm on all models

Downloads

HFC 10 S 1.5, Spec sheet, A4 metric

HFC 10 S 1.5, Spec sheet, Letter imperial

User Manual Cylinders

Safety Guide – Hydraulic cylinders

Safety Guide – Hydraulic hoses & couplers

document--blank

Lifting Solutions – Industrial Tools

Flat Cylinder, Spring Return, HFC

Make your experience complete with these accessories

    Compare products
    Select your region
    Select your language