Skip to content

Mechanical Pulling Jack PL 2510

The Pulling Jack is part of Holmatro's range of mechanical tools and is produced to withstand tough operating conditions over long periods. The durable cast iron construction makes the tools suitable for use during welding work and under water. Despite these rough conditions, the tools are extremely maintenance-friendly. The parts are particularly wear-resistant and the cast iron construction is dust proof. The self-braking property of the fully closed ratchet mechanism prevents entrance of the plunger under the pressure of heavy loads, thus making it even safer during use.
The Pulling Jack is part of Holmatro's range of mechanical tools and is produced to withstand tough operating conditions over long periods. The durable cast iron construction makes the tools suitable for use during welding work and under water. Despite these rough conditions, the tools are extremely maintenance-friendly. The parts are particularly ...
Find a partner

Features & benefits

  • Made of cast iron; resistant to continuous heavy operating conditions
  • Unique ratchet handle for engagement both wheel and plunger
Show all

About the Mechanical Pulling Jack PL 2510

Specifications

Choose unit system
Details
Article number
200.421.001
Basic specifications
model
PL 2510
Performance
tonnage
25 t
tonnage
55116 lb
stroke
100 mm
stroke
3.9 in
capacity
245.3 kN / 25 t / 245.3 / 25 (kN/t)
capacity
55146 lbf
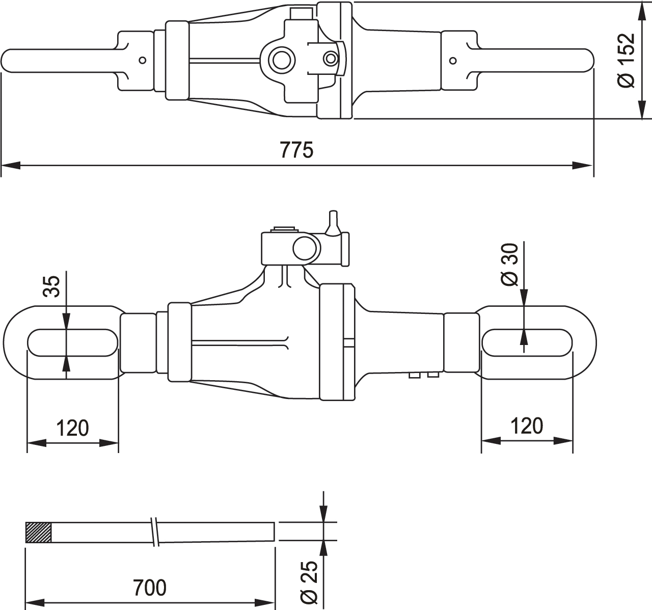
retracted length
775 mm
retracted length
30.5 in
Dimensions, weight and temperature
weight, ready for use
32 kg
weight, ready for use
70.5 lb

Technical Drawing

Technical Drawing Of Mechanical pulling jack

Features

Features & Benefits
  • Made of cast iron; resistant to continuous heavy operating conditions
  • Unique ratchet handle for engagement both wheel and plunger
  • Pulling eyes and an handle bar
  • Self-locking; for safe working
  • Robust; can be used close to welding works and under water
  • Usable in all positions
  • Low maintenance

Downloads

PL 2510, Spec sheet, A4 metric

PL 2510, Spec sheet, Letter imperial

document--blank

Lifting Solutions – Industrial Tools

Technical Drawing Of Mechanical pulling jack

Make your experience complete with these accessories

    Compare products
    Select your region
    Select your language