Skip to content

Plunger Adapter HGC 25

Plunger Adapter • Suitable for HGC 25 cylinders • Thread size: 2” NPT male - 1½"-16 UN male • Max. working pressure: 360 bar
Find a partner

Industrial configurator

Supports you in choosing the right tool & setup for your application.

About the Plunger Adapter HGC 25

Specifications

Choose unit system
Details
Article number
100.002.965
Basic specifications
model
HGC 25
max. working pressure
5221 psi
max. working pressure
360 / 36 (bar/Mpa)
Dimensions, weight and temperature
weight, ready for use
0.825 kg
weight, ready for use
1.8 lb
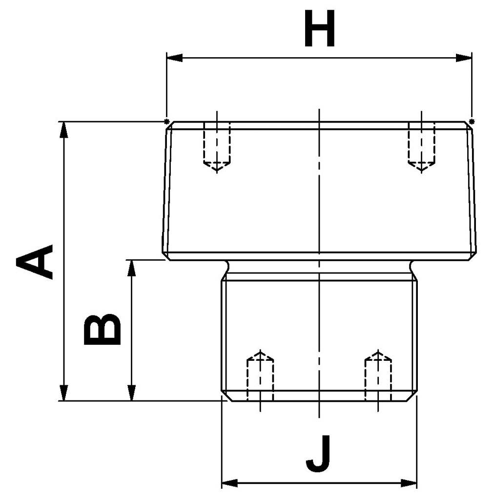
Technical drawing dimensions
dimension A
54 mm
dimension A
2.1 in
dimension B
27 mm
dimension B
1.1 in
dimension H
2" NPT threadsize
dimension J
1½"-16 UN threadsize

Technical Drawing

Adapter plunger for HGC

Downloads

HGC 25, Spec sheet, A4 metric

HGC 25, Spec sheet, Letter imperial

document--blank

Lifting Solutions – Industrial Tools

User Manual Accessories Cylinders

Adapter plunger for HGC

Compare products
Select your region
Select your language