Ir para o conteúdo

Cilindro telescópico HATC 80/28 H 20

Os cilindros de carrilamento telescópicos da Holmatro podem alcançar grandes distâncias de elevação, mantendo uma altura fechada compacta. A Holmatro opera com uma pressão de trabalho máxima de 550 bar, o que nos permite criar cilindros mais pequenos, compactos e leves que continuam a ter a mesma capacidade. Os cilindros são construídos inteiramente em alumínio anodizado preto, tornando-os significativamente mais leves e fáceis de transportar (por uma só pessoa). Uma caraterística fundamental deste cilindro é a válvula de descida de carga, que assegura que o veículo/carga pode ser baixado de forma controlada sem ser afetado pelo peso da carga. Além disso, estes cilindros telescópicos estão equipados com um mecanismo de segurança em caso de rutura da mangueira, o que garante a paragem imediata do sistema se uma mangueira rebentar, independentemente do motivo. Os cilindros de carrilamento da Holmatro estão disponíveis em várias tonelagens e cursos para se adaptarem a diferentes aplicações e necessidades.
O pacote padrão inclui:
  • Acopladores de face plana: função de proteção contra poeiras incorporada.
  • Válvula de descida de carga.
  • Punhos colocados de forma eficaz; fácil de ser transportado por apenas 1 ou 2 pessoas.
Os cilindros de carrilamento telescópicos da Holmatro podem alcançar grandes distâncias de elevação, mantendo uma altura fechada compacta.

A Holmatro opera com uma pressão de trabalho máxima de 550 bar, o que nos permite criar cilindros mais pequenos, compactos e leves que continuam a ter a mesma capacidade. Os cilindros são construídos inteirame...

Características e benefícios

  • Totalmente fabricado em alumínio leve.
  • Pressão máxima de trabalho de 550 bar.
Mostrar tudo

Sobre o Cilindro telescópico HATC 80/28 H 20

Especificações

Choose unit system
Detalhes
Número do artigo
101.001.175
Especificações básicas
modelo
HATC 80/28 H 20
pressão de trabalho máx.
7977 psi
pressão de trabalho máx.
550 / 55 (bar/Mpa)
Desempenho
altura fechado
250 mm
altura fechado
9.8 in
capacidade de 1ª êmbolo
176925 lbf
capacidade de 2ª êmbolo
62047 lbf
curso 1ª êmbolo
92.5 mm
curso 1ª êmbolo
3.6 in
curso 2ª êmbolo
107.5 mm
curso 2ª êmbolo
4.2 in
capacidade de 1ª êmbolo
787 / 80.3 (kN/t)
capacidade de 2ª êmbolo
276 / 28.1 (kN/t)
área de pressão efectiva do 1ª pistão
143 cm2
área de pressão efectiva do 2ª pistão
50 cm2
área de pressão efectiva do 1ª
22.2 sq. in.
área de pressão efectiva do 2ª
7.8 sq. in.
carga lateral máxima
10 %
Especificações gerais
teor de óleo necessária (efetiva)
1407 cc
teor de óleo necessária (efetiva)
47.6 oz
teor de óleo necessária (imprensa)
1864 cc
teor de óleo necessária (imprensa)
63 oz
teor de óleo necessária (retirar)
457 cc
teor de óleo necessária (retirar)
15.5 oz
agindo tipo
dobro
tipo de retorno
hidráulico
material
alumínio
tipo de cilindro
telescópico
Dimensões, peso e temperatura
peso, pronto para uso
17.3 kg
peso, pronto para uso
38.1 lb
Dimensões de desenho técnico
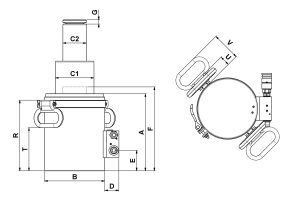
dimensão A
230 mm
dimensão A
9.1 in
dimensão B
179 mm
dimensão B
7 in
dimensão C1
115 mm
dimensão C1
4.5 in
dimensão C2
70 mm
dimensão C2
2.8 in
dimensão D
42 mm
dimensão D
1.7 in
dimensão E
61 mm
dimensão E
2.4 in
dimensão F
250 mm
dimensão F
9.8 in
dimensão G
20 mm
dimensão G
0.8 in
dimensão R
210 mm
dimensão R
8.3 in
dimensão T
128 mm
dimensão T
5 in
dimensão U
31 mm
dimensão U
1.2 in
dimensão V
85 mm
dimensão V
3.3 in

Technical Drawing

Technical Drawing Telescopic Cylinder HATC 80_28 H 20

Características

Características e Benefícios
  • Totalmente fabricado em alumínio leve.
  • Pressão máxima de trabalho de 550 bar.
  • Equipado com "válvula de descida de carga".
  • Garante uma descida controlada, independentemente da carga.
  • Sem esta válvula, a carga poderia descer demasiado depressa, criando situações de perigo.
  • Inclui um "mecanismo de segurança em caso de rutura da mangueira"
  • Integrada nas válvulas de descida de cada cilindro de elevação; segurança garantida, graças à função de retenção de carga, mesmo em caso de rutura da mangueira.

Downloads

HATC 80/28 H 20, Folha de especificações, Carta imperial

HATC 80/28 H 20, Folha de especificações, A4 métrico

Technical Drawing Telescopic Cylinder HATC 80_28 H 20

Compare products
Selecione sua região
Selecione seu idioma