Ir para o conteúdo

Tesoura para cabos HCC 150

As tesouras para cabos elétricos da Holmatro são adequadas para cortar cabos de ligação à terra e cabos telefónicos.
Encontre um parceiro

Sobre o Tesoura para cabos HCC 150

Especificações

Choose unit system
Detalhes
Número do artigo
100.522.150
Especificações básicas
modelo
HCC 150
pressão de trabalho máx.
10443 psi
tipo cortador
guilhotina
pressão de trabalho máx.
720 / 72 (bar/Mpa)
Desempenho
capacidade
203.6 kN / 20.8 t / 203.6 / 20.8 (kN/t)
capacidade
45771 lbf
máx. abertura da mandíbula
150 mm
máx. abertura da mandíbula
5.9 in
cabo de aterrama. Ø capa.
140 mm
cabo de aterrama. Ø capa.
5.5 in
cabo de telefone Ø capa.
145 mm
cabo de telefone Ø capa.
5.7 in
Especificações gerais
teor de óleo necessária (efetiva)
245 cc
teor de óleo necessária (efetiva)
8.3 oz
tipo de retorno
hidráulico
Dimensões, peso e temperatura
peso, pronto para uso
24.9 kg
peso, pronto para uso
54.9 lb
dimensões (CxLxH)
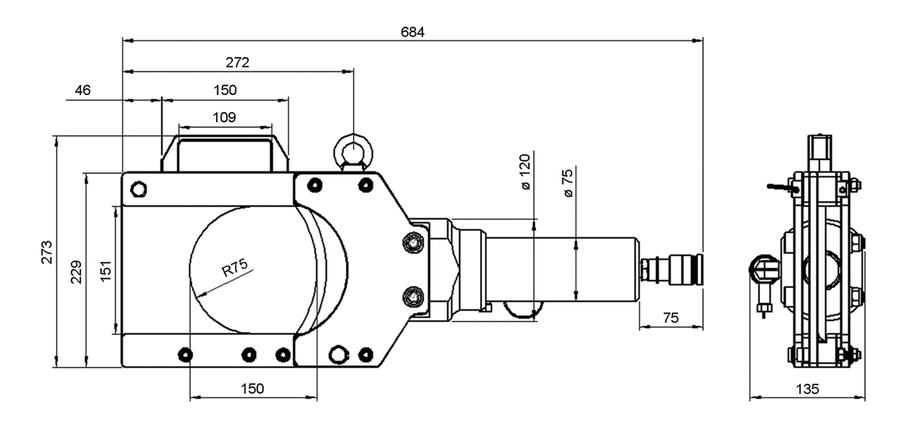
684 x 273 x 135 mm
dimensões (CxLxH))
26.9 x 10.7 x 5.3 in

Technical Drawing

Technical Drawing Of Power Cable Cutter HCC 150

Características

Compacto
Leve
Não produz faíscas; Alternativa segura à esmerilação
Rápida e fiável
Podem ser utilizados em todas as posições
Lâmina endurecida que pode ser afiada

Downloads

Ferramentas de corte industrial

HCC 150, Folha de especificações, A4 métrico

HCC 150, Folha de especificações, Carta imperial

Technical Drawing Of Power Cable Cutter HCC 150

Complete a sua experiência com estes acessórios.

    Compare products
    Selecione sua região
    Selecione seu idioma